万博らしさの両極! あえて建築を消した「よしもと waraii myraii館」とディテールが主役の「うみクル」─TAISEI DESIGN【イノベーション編】

Pocket

2025年の今年、創設100年を迎えた大成建設設計本部。本連載ではその名作・近作をリポートする。第9回は「イノベーション編」として、大阪・関西万博の2つの施設を訪ねた。(宮沢洋)

 大阪・関西万博がにぎわっている。来場者数は、会期3か月の折り返し地点で1000万人の大台に乗った。このまま1日13万人ペースが続き、閉幕時に2200万人を超えると黒字になる見通しだという。楽観はできないが、開幕前の冷めたムードを考えれば、「大盛況」と言ってよいだろう。

 パビリオンを「建築」の視点で取り上げる記事も増えてきた。が、この施設については全くいっていいほど技術情報を目にしない。このBUNGA NETではそういう施設こそ、取り上げたくなる。吉本興業ホールディングスが出展した「よしもと waraii myraii館」である。

よしもと waraii myraii館を上空から見る。場所は、後ろに見える大屋根リングの西側(写真:エスエス)

 よしもとwaraii myraii館は、米国のWHY Architecture によるデザイン監修の下、大成建設が設計を担当した。2022年のプロジェクト最初期から設計に参加している。アートディレクターに現代アーティストのMASARU OZAKI氏、クリエイティブディレクターにWHY Architectureを主宰するクラパット・ヤントラサー氏、総合プロデューサーにNHK「チコちゃんに叱られる」などを手掛ける小松純也氏を迎えてプロジェクトは進められた。施工は大成建設で、トラスフレームや膜はTSP太陽が担当している。

 設計担当者の大成建設設計本部先端デザイン部先端デザイン室の出口亮シニア・アーキテクトと、同建築設計第三部設計室(渕)の鈴木智紘プロジェクト・アーキテクトが案内してくれた。

左が出口亮氏、右が鈴木智紘氏(写真:以下、特記以外は宮沢洋)

 よしもとwaraii myraii館のテーマは、「こころとからだの健康につながる、笑いのチカラ」だ。

 公式サイトにこんな文章が載っている(太字部)。

いつでも、ふらっと来てください。
こころもからだも、ふふっと軽くなる。
明日という未来を、もっと明るく健やかに。
万博でいちばん笑い声が響くパビリオンをめざして。

 このパビリオンの特徴を実によく表している。「建築」としてこの施設が報道されにくい理由の1つは、ほとんどが「屋外」で、「ふらっと」入れるからだ。『笑顔の球体「タマー」』と名付けられた赤い球体の下に屋内展示はあるものの、広くはない。

タマーの下の展示エリア

 パビリオンは大きく2つに分かれ、南側のステージとその前の広場「アシタ広場」では、基本的に30分の休憩を挟んで1日に8本のイベントが開催されている。イベントを見るのに予約はいらない。

平面図(資料:大成建設)

 アシタ広場にはタマーの下を通り抜けて入ることもできるが、東西両脇からも入れる。「いつでも、ふらっと来てください」というフレーズはその通りで、「行列が当たり前」の本万博にあって、このアシタ広場は大抵いつでも入ることができる。アシタ広場に入らずに、大屋根リングの下からステージを眺めている人も多い。

大屋根リングの下から見る
毎日、夜になると、盆踊りにカラオケやダンスを融合させた参加型の新しいエンタメ「盆踊りのアシタ」が行われる

建築っぽさを消すためのイノベーション

 クライアントである吉本興業ホールディングス株式会社からは、「ひらかれたエンタメの場」と「ランドマーク性」を求められた。それに対して設計チームが基本方針としたのは、「訪れた人が主役になれる広場と、緑の丘をつくること」だった。出口氏は、「完成された世界を見せる”建築”ではなく、訪れた人が思い思いに過ごせて多様な関わりや体験ができる、未完成な”舞台”のような余白の場という在り方に向かっていった」と振り返る。そうして生まれたパビリオンが「建築」として報道されにくいのは当然でもある。

 しかし、それもまた1つの建築だ。そこには、目指す姿を実現するためのイノベーションがある。

(写真:大成建設)

 1つは球体を支える「緑の丘」だ。この部分は遠くからステージを見る人の客席となる部分で、普通ならば階段状にするところであろう。だが、広場との連続性を失わせないために富士山型の斜面とした。鉄筋コンクリートの側壁の回りに、EPS(発泡スチロール)を下地としてモルタル左官でつくった斜面は、約10度~30度の勾配で波を打つような曲面の丘となっている。人工芝だと滑ってしまうため、ゴムチップ素材を左官で施工した。

 アシタ広場のフラットな面には緑と白の強い縞模様があるため、やんちゃな子どもも丘から降りるときには境界を認識して注意深く降りる。この丘に人々が腰をかけたり、寝転んでいる様子は、その風景自体が癒しを感じさせる。おそらくこれが均一な人工芝の面だったら、立入禁止のカラーコーンで囲まれていただろう。

斜⾯が⽴⼊禁⽌だったら、このおおらかな光景も台無しだ

 そして、もう1つのイノベーションは、笑顔が施された赤い膜材による球体である。万博会場には膜材を使ったパビリオンが数多くあるが、この球体は構造材の鉄骨フレームの存在が外からは感じられない。大きな気球のような印象だ。

大屋根リングから見下ろす

 実はその通りで、膨らませているのである。まず、多面体の構造フレームに、化粧下地となるエアーマット(内層部)を取り付けることで、形状を球体に近づけた。さらに、仕上げ材として二重膜(外層部)でカバーし、その二重膜の間に常時風を吹き込んで風船のように膨らませている。つまり、薄層二重膜の空気膜構造(エアー‧シェル)なのだ。

 比較的少ない送風量で巨大なエアー‧シェルを膨らませることが可能であるため、設備インフラが限られている万博に適した工法だ。当然、構造フレームに直接膜材を取り付ける方が施工が簡単だが、ここでは、見えない苦労によって建築っぽさを消しているのである。

球体の施工プロセス(写真:大成建設)
球体の断面図(資料:大成建設)

 小さいことながら「なるほど」と思ったのが、球体の下、室内への入り口部分だ。室内はふきさらしのゲート状空間で、扉がない。上部が球体なので雨が室内に回ってしまう。普通なら雨どいか金属の水切りをつけて対処するところだが、それだといかにも「建築」に見えてしまう。そこで、試行錯誤の末、膜材の水切りとした。これを見に行く人はそんな部分も見てほしい。

ひだ状の部分が水切り
雨が降ったときの様子(写真:大成建設)

■建築概要
2025年大阪・関西万博 よしもとwaraii myraii館
構造・階数:鉄骨造・地上1階

敷地面積:3501.07㎡
建築面積:975.634㎡
延べ面積:1011.847㎡
設計・監理:大成建設、TSP太陽

デザイン監修:WHY Architecture
照明デザイン:シリウスライティングオフィス
環境シミュレーション:スタジオノラ
施工:大成建設、TSP太陽
アートディレクター:MASARU OZAKI
クリエイティブディレクター:クラパット・ヤントラサー
総合プロデューサー:小松純也

社内コンペの最優秀案を実現した「うみクル」

 今回取り上げるもう1つの万博施設は、「うみクル」だ。西ゲートの西側、「EXPOアリーナ」に併設されている、イベントグッズ販売などに使用する物販施設である。大成建設が設計・施工して、2025年日本国際博覧会協会に提供したものだ。

 設計担当者の大成建設設計本部建築設計第六部設計室(宮崎)の勝又洋シニア・アーキテクトと、同構造設計第二部設計室(一色)の御所園武プロジェクト・エンジニアが案内してくれた。

左が御所園武氏、右が勝又洋氏

 公式ガイドにも名前が載っていない小さな施設だ。遠目には、単管でできた仮設の小屋くらいにしか見えないかもしれない。

 大成建設社内でコンペを行い、約30の提案の中から最優秀に選ばれた案を実現した。勝又氏は「万博会場が海辺のごみ埋め⽴地であることに着⽬し、海洋プラスチックごみをアップサイクルすることをテーマにした」と話す。

チームのメンバーで長崎県の対馬に海洋プラスチックごみの回収にも行った(写真:大成建設)

 まず目につくのは、上部にひらひらと舞うような日よけの板。これはビーチクリーン活動で集め100%海洋プラスチックごみから生成したもので、全部で約5000枚。量としてはペットボトル約3万本分のプラスチックを使用している。

1枚1枚はおにぎりのような形で、海から強い風が吹くとくるっと回る。それが「うみクル」の名の由来だ

 魚の群れが青空を泳ぐような群造形が、夏場の強い日差しを和らげ、木漏れ日のような影をつくる。風で板が回ることで、微妙に外観も変わる。風鈴のようなノスタルジーにも思えるが、実は回ることに建築的イノベーションが隠されている。構造設計を担当した御所園氏は、「個々の板はSUSワイヤで吊っているが、固定した状態だと海から強い風を受けたときに構造への負荷が大きい。回転することで風を受け流す機構とし、風洞実験により風向きに対して安定角を保持する形態を導き出した」と語る。なんとこののデザインのために風洞実験まで……。

 床は「よしラグ」と名付けた葦(よし)チップの舗装で仕上げた。葦は光合成で酸素を⽣成し、⼟や⽔中に含まれる窒素やリンを吸収して⽔を浄化する機能をもつが、枯れた葦を定期的に刈り取り葦の⾃⽣を促す必要がある。地産地消の取り組みとして、⼤阪の淀川に群⽣する鵜殿のヨシ原から原材料を調達し、舗装への適⽤を研究開発した。

 ここを訪れたら、ぜひ建物の内側からも見てほしい。建築関係者であれば、構造材のディテールに引き込まれることだろう。

(写真:大成建設)

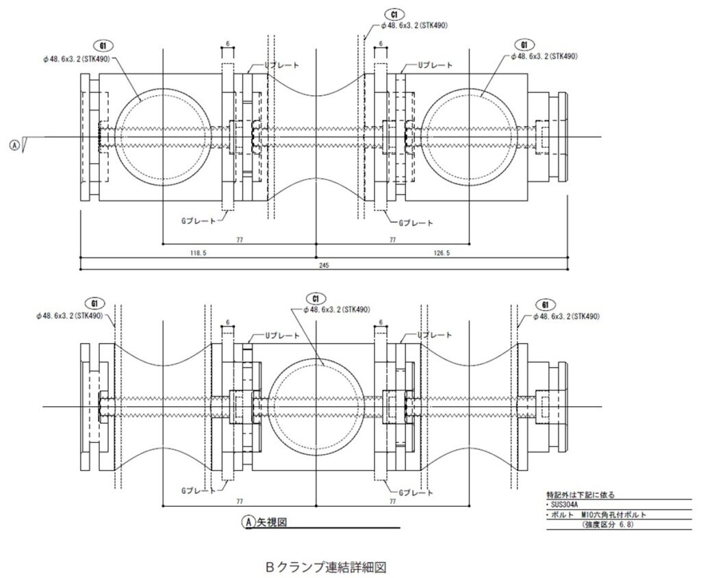
 うみクルは建物基礎を含め、容易に組立・解体できるように設計した。会期終了後は移設を想定している。青空と海洋プラスチックの外装材を際立たせるために、構造体はリユースを前提に単管を採⽤した。その接合部が既製品のクランプではなく、オリジナルなのだ。「仮設感のない建築を目指し、ステンレスを切削加⼯したミニマムでスタイリッシュなオリジナルクランプ(Bクランプ)を開発した」と勝又氏。複数のパーツを接合すると、どんな角度にも単管を交差できる仕組みだ。

Bクランプの構成(資料:大成建設、下も)

 部材の無駄のなさ(径の細さ)と切削加⼯のシャープさが萌える……。レンゾ・ピアノとかノーマン・フォスターとかのディテールを連想させる。製作単価もそれほど高くはないそうなので、今後、このクランプを使ってもっと大きな仮設建築が実現することを期待してしまう。


 前述の「よしもとwaraii myraii館」が「建築」を感じさせない大きな広場を目指したのに対し、この「うみクル」は、小さくても「建築」として強いメッセージを放つことを目指したわけだ。両極ではあるが、どちらも与えられた条件の中で“既存の建築の壁を破る”という意味では、“万博らしい建築”といえるだろう。

イベントで「物販」を行っているときの様子(写真:大成建設)

■建築概要
2025年大阪・関西万博 物販棟「うみクル」
構造・階数:鉄骨造・地上1階

敷地面積:706.10m²
建築面積:87.89m²
延床面積:87.89m²
設計・施工:大成建設

協力企業:
うみクル:対⾺CAPPA(実態調査・ビーチクリーン協力)、MUKA(海洋プラスチックごみの裁断・粉砕加工協力)、buoy(製作)、浜野製作所(外装下地⾦物製作)
よしラグ:⼤成ロテック(実験・施工)、アトリエMay(葦刈協力・材料調達)、日本新聞インキ(材料加工)
単管クランプ:浜野製作所(開発・組立協力)

「EARTH MART」は茅の循環性をキュービクルでも

 おまけ的にはなるが、大成建設が設計に関わったもう1つの万博建築も案内してもらったので、ちらっと紹介する。万博の目玉であるシグネチャーパビリオンの1つ、「EARTH MART」(テーマ事業プロデューサー:小山薫堂)だ。

 設計担当者の大成建設設計本部建築設計第三部設計室(土井)の江森健人氏が案内してくれた。

江森健人氏

 鉄骨造の構造体の上に、本格的に茅葺きの屋根を架けるのはおそらく日本初だ。この施設は施工終盤の段階で本サイトで詳しくリポートしているので、詳細はそちら↓を見てほしい。

 大成建設は、設計の中心になった隈研吾建築都市設計事務所とともに、実施設計を手掛けた。主に外観のポイントとなる茅葺きの施工法を検討した。江森氏が「ここを注目して見てほしい」というポイントの1つが軒裏だ。

こんなに深い軒下空間がつくれるのは鉄骨造だからこそ。入館前に軒下の日陰で待つことができるパビリオンは少ない

 軒裏では、鉄骨造の構造材の上に茅葺きが見える。建物内では機能上、茅を見せることができなかったが、ここは茅が見えるので、本当に茅だけで雨が漏らないということがわかる。

たまたま取材の直前に通り雨が降ったので、茅葺の断面を見ると、雨がどこまで浸透したかが認識できる。毛細管現象により、雨が内側に入ることはない

 もう1つは、見学路を出た直後にあるキュービクル(機械置き場)の目隠し。「茅フェンス」と名付けたこの方法は江森氏の提案で生まれたもの。単管パイプでつくった蛇籠の中に茅を立てただけのものだが、“目隠し”を越えて1つの“風景”に見える。

社(やしろ)の背景としてつくったような茅の壁
実は機械置場の目隠し。一般の人はこの方向からは見えない

 江森氏は、「この手法はまっすぐでない茅※が使えるので、これが広がれば茅の使い道が広がる」と話す。(※屋根で使う茅はまっすぐなものが望ましいので手で刈るが、曲がったものが混ざってよければ機械でも刈れるそう)

 「EARTH MART」を訪れたら、そんな脇役部分の循環性も見てほしい。

■建築概要
2025年大阪・関西万博 シグネチャーパビリオン「EARTH MART」
構造・階数:鉄骨造・地上2階
最高高さ:11m
敷地面積:1945㎡
建築面積:1309㎡
延床面積:1620㎡
基本設計:隈研吾建築都市設計事務所
実施設計:大成建設・隈研吾建築都市設計事務所(JV、DB)
施工:大成建設

大成建設設計本部のサイトはこちら↓。

連載のまとめページはこちら↓。